详情
室分分布系统故障排查解决方案
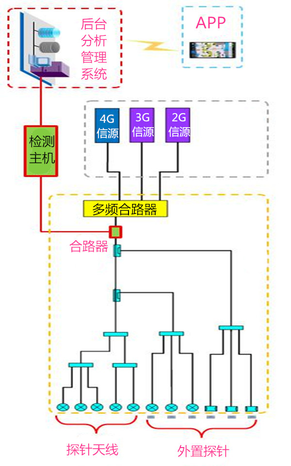
方案介绍:
我司室内分布射频网络智能管理系统适用于传统运营商基站信号室分分布覆盖系统快速确定故障节点,加速排除故障,助力维护运营商网络形象;是一款主要针对原有室分分布系统、新建室分分布系统等场景的系统级解决方案。


方案价值:
增强可靠性、节约建设投资:
GPS+北斗双星,一主一备两付天线互为备份;
两个放大模块互为备份,两个电源模块互为备份;
主机连接从机的扩展信号双路备份。
支持BBU高密度部署、加快工程建设进度:
占用天面空间小、室外走线架和穿墙管道空间少;
机房选址受同步信号拉远限制小;
同步信号端口预置,扩容简便。
提升运维便利:
远程告警,提前排除系统隐患;
直观呈现故障位置,高效排障;
分类告警,可视化呈现故障,降低维护成本。
室分分布系统故障排查解决方案

适用场景:
地下停车场原有室内分布系统;
地下停车场新建室内分布系统;
楼宇(含电梯)室内分布系统;
商场室内分布系统。
扫二维码用手机看
上一个:
室外补盲,室内分布覆盖解决方案
下一个:
电梯场景覆盖解决方案
上一个:
室外补盲,室内分布覆盖解决方案
下一个:
电梯场景覆盖解决方案
COPYRIGHT © 2021 广州旭杰电子有限公司版权所有 京ICP证000000号 网站建设:中企动力广州
xujie@gzxujie.com